MEAGsys ISMS - Technical Bulletin Release Notes


ET-DDC9K 2 Door Controller
Distributed database processing, for up to 2,000
Proximity card technologies mode control
Card, keypad or card and keypad access support
Fast. standalone processing (DDC) 60 pre/trunk , up to 8 trunks line, with optional redundant communication capability (480 doors)
Support dual card, escort card access mode
ET-DDC10K 2 Door Controller
Distributed database processing, for up to 10,000
Proximity card technologies mode control
Card, keypad or card and keypad access support
Fast. standalone processing (DDC) 60 pre/trunk , up to 8 trunks line, with optional redundant communication capability (480 doors)
Support dual card, escort card access mode
ET-DDC11KL 2 Door Controller
Fast. standalone dual processing (DDC) 2048 pre/TCPIP Network with optional, dual Lan port redundant communication capability
Distributed database processing, for up to 10,000
Proximity card technologies mode control
Card, keypad or card and keypad access support
With optional Redundant Server Backup Communication Capability (2,048 doors)
Support dual card, escort card access mode

ECU-1000 Lift Controller
Up to 64 Floors Control
Time zone and access level for 7 days a week storage
ET- 1001 -        RS422 10 Port Expander Panel

10 Ports standard RS-422 communication protocol
1 Port RS422 Main Uses standard RS-422 communication protocol
Good for Star Wiring Connect Installation
DCU 2 For Door Locks Controller        (Catalog:English) DCU 2                                        Example: Schematic Diagram                                
High Security Prison Lock Control
Up to 4 door in/out access control
4 dor  interlock control
TCP/IP RJ45 Interface (DCU-2L)
Door status remote monitoring, lock status, manual key open, doro auto relock

KROMER 4840 High Security Lock and EL580 lock compatible
STUV HSL 104C Lock
Southern Steel 1051 Lock
DCU 1
High Security Prison Lock Control
1 door in/out access control
TCP/IP RJ45 Interface (for DCU-1L)
Door status remote monitoring, lock status, manual key open, doro auto relock
 
All special request MO, card access control panels OEM, please contact Evertech for detalis
ET- WD-911 -        

System Watchdog Controller

MEGAsys Main Server/Redundent Server Online Monitoring
8C500/800 RPU Online Status Monitoring
DDC9k/10k/11k Online Status Monitoring
               
System Example:
       Access Control Integrated Managment System
       

ET- 3300 -        

Biometric Palm Vein Reader

Infrared sensors
Difficult to forge:
Doesn’t come into contact with the sensor
Lowest Error Rate

               
Power Charger 1/3/5A        

Camera Supply +12v Charger

Cool down fan for 5A type
Battery Low Alarm
for Sealed Lead-Acid Battery
Static Switch for AC/Battery Switching

               
ET-DDC12KL 2 Door Controller
Small Size Configure
Fast. standalone dual processing (DDC) 2048 pre/TCPIP Network with optional, dual Lan port redundant communication capability
Distributed database processing, for up to 10,000
Proximity card technologies mode control
Card, keypad or card and keypad access support
With optional Redundant Server Backup Communication Capability (2,048 doors)
Support dual card, escort card access mode

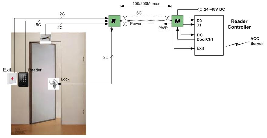
Reader Interface Converter
       Catalogure
       Details (200m w/Remote Power)
       Details (4,000m w/o Power)
       Left cable extend
NEW!